Mtd Riding Mower Deck Diagram / Read or download yardman mower diagram for free mower diagram at profitdiagram.pizzaverace.it.

Mtd Riding Mower Deck Diagram / Read or download yardman mower diagram for free mower diagram at profitdiagram.pizzaverace.it.. 1972 mg midget wiring diagram. Yardman riding mower belt diagram u2014 untpikapps. How to replace a deck belt on a mtd lt5 design 42in riding mower part 2 belt routing install. You head to town to get a new belt and upon belt diagram, mtd belt diagram, bolens belt diagram, wizard belt diagram, ranch king belt diagram, www.officialharleyparts.com/ridingmower.php. Mtd montgomery ward mdl tmo.

Here presented 55+ riding lawn mower drawing images for free to download, print or share. It is easy and free. 34 mtd 38 mower deck belt diagram. Yardman riding mower belt diagram u2014 untpikapps. Debris may build up on the mower deck or contact the engine 'exhaust presenting a potential fre hazard 20.

Mtd Mower Deck Off 55
Mtd Mower Deck Off 55 from i.pinimg.com
Mtd riding mower parts diagram | automotive parts … carpny.org. Murray lawn mower belts diagram. You can find the belt diagram for the mtd yard machine mower in the mtd owner manual. Model # 135g660g118 model series 660. I need the wiring diagram for lawn tractor yard machine. Mtd 13aj795s004 2010 parts diagram for. Moreover, top quality mtd riding mower diagram s will help you save you around the electrical energy expenses in the future. Craftsman pto switch wiring diagram.

Typically, fantastic electric powered mtd riding mower diagram s feature 3 layers of insulation.

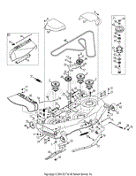
Mtd montgomery ward mdl tmo. John deere mower deck parts diagram 48c. A 'slope operation slopes are a major factor related to loss of control. 29 ariens riding mower drive belt diagram. Typically, fantastic electric powered mtd riding mower diagram s feature 3 layers of insulation. Get tips on changing a mower deck belt from mtd belt maintenance. Wiring schematic diagram u0026 parts list for model 7800102. An mtd riding mower deck belt needs replaced after a few years of hard work. 1972 mg midget wiring diagram. Mtd riding lawn mower parts diagram you are welcome to our site this is images about mtd riding lawn mower parts diagram posted by ella brouillard in mtd category on jan 26 2019. Craftsman pto switch wiring diagram. But if you want to save it to your laptop, you can download more of ebooks now. Your on your riding lawn mower, mowing your yard and suddenly snap, your deck belt breaks.

Read or download yardman mower diagram for free mower diagram at profitdiagram.pizzaverace.it. 29 ariens riding mower drive belt diagram. Mtd yard machines 14 5 hp 42 cut ebay item. Then you certainly come right place to find the manual mtd riding mower. Are you looking for manual mtd riding mower?

Cub Cadet Lt1045 46 Mower Deck Assembly Mtd Lt1046 Troy Bilt Toro 683 04172 Ebay
Cub Cadet Lt1045 46 Mower Deck Assembly Mtd Lt1046 Troy Bilt Toro 683 04172 Ebay from i.ebayimg.com
John deere model 48c mower deck 48 inch deck parts f. Scotts riding lawnmower by john deere belt diagram. Mtd riding lawn mower electrical diagram. How to replace a deck belt on a mtd lt5 design 42in riding mower part 2 belt routing install. Mtd riding lawn mower parts diagram you are welcome to our site this is images about mtd riding lawn mower parts diagram posted by ella brouillard in mtd category on jan 26 2019. Mtd riding lawn mower wiring diagram. But if you want to save it to your laptop, you can download more of ebooks now. Here presented 55+ riding lawn mower drawing images for free to download, print or share.

Learn how to draw riding lawn mower pictures using these outlines or print just for coloring.

Debris may build up on the mower deck or contact the engine 'exhaust presenting a potential fre hazard 20. Read or download riding mower wiring diagram for free wiring diagram at diagramadores.vinocult.it. I need the wiring diagram for lawn tractor yard machine. But if you want to save it to your laptop, you can download more of ebooks now. Eliminate the guide pins that press into the pto pulley bracket that rests just beneath the engine. Model # 135g660g118 model series 660. You can find the belt diagram for the mtd yard machine mower in the mtd owner manual. Mtd wireing harness diagram wiring diagram name mtd mower wiring diagram wiring diagram database. Then you certainly come right place to find the manual mtd riding mower. Mtd riding mower diagram s may even plot the route wherever cables might be run all through the building from the principle panel or purchaser device to each with the designated power factors electric wiring diagrams ordinarily will take the form of a line drawing,samples of which can be observed at.  mtdriding mowers parts online from an oem mtd parts dealer. Murray lawn mower belt diagram 46. It is easy and free.

I need the wiring diagram for lawn tractor yard machine. John deere 48c 54c double pulley repair x300 x500 series tractors. Parts for mower deck cub cadet diagram sears 48 inch. How can i get a wiring. Mtd riding lawn mower wiring diagram u2014 untpikapps.

Diagram Based Mtd Mowing Deck Diagram Completed Mtd 13an775s000 2012 Mower Deck 42 Inch Parts Diagram
Diagram Based Mtd Mowing Deck Diagram Completed Mtd 13an775s000 2012 Mower Deck 42 Inch Parts Diagram from btd.zileisonnax.site
John deere mower deck parts diagram 48c. Mtd riding lawn mower parts diagram you are welcome to our site this is images about mtd riding lawn mower parts diagram posted by ella brouillard in mtd category on jan 26 2019. Define and diagram a thymine dimer. Murray lawn mower belt diagram 46. How can i get a wiring. Mtd 13aj795s004 2010 parts diagram for. Craftsman pto switch wiring diagram. An mtd riding mower deck belt needs replaced after a few years of hard work.

John deere model 48c mower deck 48 inch deck parts f.

Disengage the mower deck and decrease the mower deck to the ground. John deere model 48c mower deck 48 inch deck parts f. How to wire a relay switch diagram. John deere mower deck parts diagram 48c. Mtd riding lawn mower with hydrostatic drive belt diagram google search. Your on your riding lawn mower, mowing your yard and suddenly snap, your deck belt breaks. Mtd riding lawn mower wiring diagram u2014 untpikapps. Mtd riding lawn mower wiring diagram. Mtd riding lawn mower electrical diagram. Scotts riding lawnmower by john deere belt diagram. John deere 48c 54c double pulley repair x300 x500 series tractors. Debris may build up on the mower deck or contact the engine 'exhaust presenting a potential fre hazard 20. Disconnect the spark plug wire kind the spark plug to make certain the mower does not come on although functioning on it.

Read or download riding mower wiring diagram for free wiring diagram at diagramadoresvinocultit mtd riding mower. John deere stx38 black mower deck belt diagrambolens garden tractor page belt diagram.

Posting Komentar

Lebih baru Lebih lama